



>>卷曲機液壓旋轉接頭適用參數:
溫度:≤100℃
轉速:≤150r/min
壓力: ≤21Mpa
介質:液壓油
卷曲機液壓旋轉接頭內有獨立管路,根據不同工作情況需求做選擇單通路或者是多通路;來發揮最大的效率。內部有兩個精密軸承,運轉平穩持久可靠、堅固靈活,磨擦系數扭矩小,故可以高速運轉。一般來說,卷曲機旋轉接頭通常是用于軸向旋轉設備之間的執行機構等輸送介質的關鍵部件。
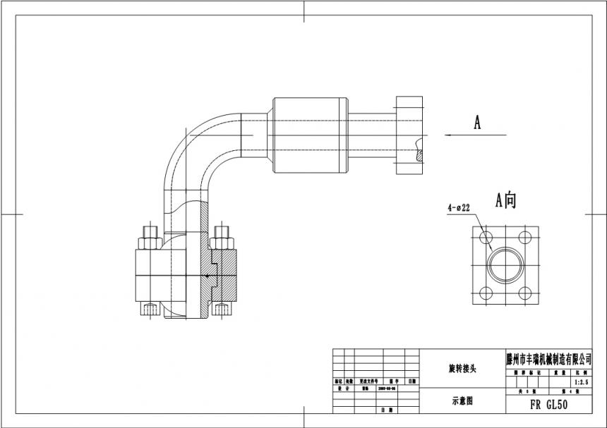
>>卷曲機液壓旋轉接頭產品圖:



>>旋轉接頭的使用:
1.應該保持滾筒及內管內部的清潔,對新的設備應特別注意,必要時需加過濾器,以避免異物雜質對旋轉接頭造成異常磨損。
2.當發現旋轉接頭滲漏時,應及時停機檢查滲漏原因,不要帶病工作,以免造成零部件的異常損壞。
3.在未流通介質時,應避免長時間空運轉。
3.因機器長期不使用會導致旋轉接頭內部的結構與起銹,請注意如再使用很可能卡死或者滴漏現象發生。
4.帶有注油裝置的請定期注油,確保軸承運轉的可靠性。
5.流通熱體介質的旋轉接頭應逐漸升溫,避免溫度急變,對密封件造成老化。
>>旋轉接頭的維護:
1.拆卸旋轉接頭時,應注意過高的溫度對身體的影響。
2.拆下并打開旋轉接頭時,應注意裝配順序,并保持內部零件的原始狀態,以分析原因。
3.檢查密封端面的磨損狀況及厚度變化情況(一般正常磨損量為5-10mm);觀察密封端面的摩擦軌跡,看是否出現三點斷續接觸或者劃傷等問題,這屬于不正常的摩擦狀況,應立即維修。