



管束干燥機旋轉接頭使用參數:
轉速:≤100QPM
溫度:≤220℃
壓力:≤1.8MPa
適用介質:蒸汽、導熱油
規格:
20、25、32、40、50、65、80、100、125、150
材質:碳鋼、201、304、316等
QD-F型管束干燥機旋轉接頭結構特點:
QD-F型旋轉接頭是專門為淀粉行業管束干燥機特殊設計制造,又稱為管束干燥機專用旋轉接頭又稱外壓簧旋轉接頭;管束干燥機是常用的接觸式干燥機,蒸汽介質通過旋轉接頭進入管內傳熱變為冷凝水排出,物料中的水分在管外受熱變成蒸汽由排濕風機抽出,物料在管束內被動得鏟子提升,均勻落到加熱管外表,并且從進口由料鏟推至出料口的到干燥。
此款接頭采用雙球面密封結構,能自動調心,適用于同心度較低的設備和抗震的機械性能;由于密封結構設計簡單,方便日常維護和維修。
外壓簧式管束干燥機旋轉接頭工作原理:
外壓簧式旋轉接頭外管可直接連接到輥管上隨其同步運轉,經過精加工的外管球面、底蓋和密封環共同組成動密封摩擦副,密封環浮動在外管球面和底蓋之間,無油軸承在殼體和外管間起支撐和導向作用,當密封環磨損時,借助彈簧和介質壓力殼體將向遠離軸頭方向緩慢移動可以補償密封環的正常磨損。因此粉塵專用旋轉接頭和管路連接必須使用金屬軟管,再因接頭較重,工作時又受到進回油管路的影響,必須安裝合理的導向支架,這樣接頭才能自由地向遠離軸頭方向正常移動,旋轉接頭才能保持密封。
外壓簧式管束干燥機旋轉接頭分類直管式和彎管式兩種形式,滕州豐瑞旋轉接頭廠家可以根據用戶設備設計,請聯系旋轉接頭廠家技術人員。

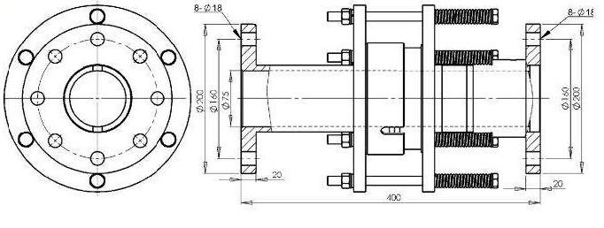
外壓簧式管束干燥機旋轉接頭示例